info@rektormakina.com.tr
0 542 326 04 07
ANASAYFA
KURUMSAL
ÜRÜNLERİMİZ
Kurutma ve Nem Alma Makineleri
RM55000V4.4
RM55000V6.1
RM55000V9.0
İklimlendirme Makinesi
Özel İmalat Kurutma Kabini
Havuz Tipi
RM3F Sirkülasyon Fanları
RM1F Dış Fan
Elektronik Kontrol Panosu
Isı Geri Kazanımlı Fanlar
Sık Sorulan Sorular
GALERİ
REFERANSLAR
BELGELER
İLETİŞİM
RM3F Sirkülasyon Fanları
Görünüm
Kullanım Alanları
Makine Hakkında
Teknik Detay
Çizim
Kullanım
Kullanım Alanları
- Gıda Kurutma
- Halı Kurutma
- Depo Kurutma
- Boya Kurutma
- Beton Kurutma
Ürettiğimiz Makineler Hakkında
Bu fan set kurutma makinesi ile beraber iç hava sirkülasyonunu hızlandırarak hada hızlı ve düzenli kurutmayı sağlar.
Bu makine 50 °C sıcaklık ve %99 nem bulunan ortamlarda çalışabilmektedir.
Fan set kurutma makinelerine bağlanarak otomatik olarak çalışır.
Teknik Özellikleri
RM3F Sirkülasyon Fanları
RM3F Sirkülasyon Fanları
Ebatlar
en 70 - boy 60 - yük. 193 cm
Ağırlık
67 kg
Enerji Tüketimi
1.35 kw / h
Air Volume
17700 m3/h
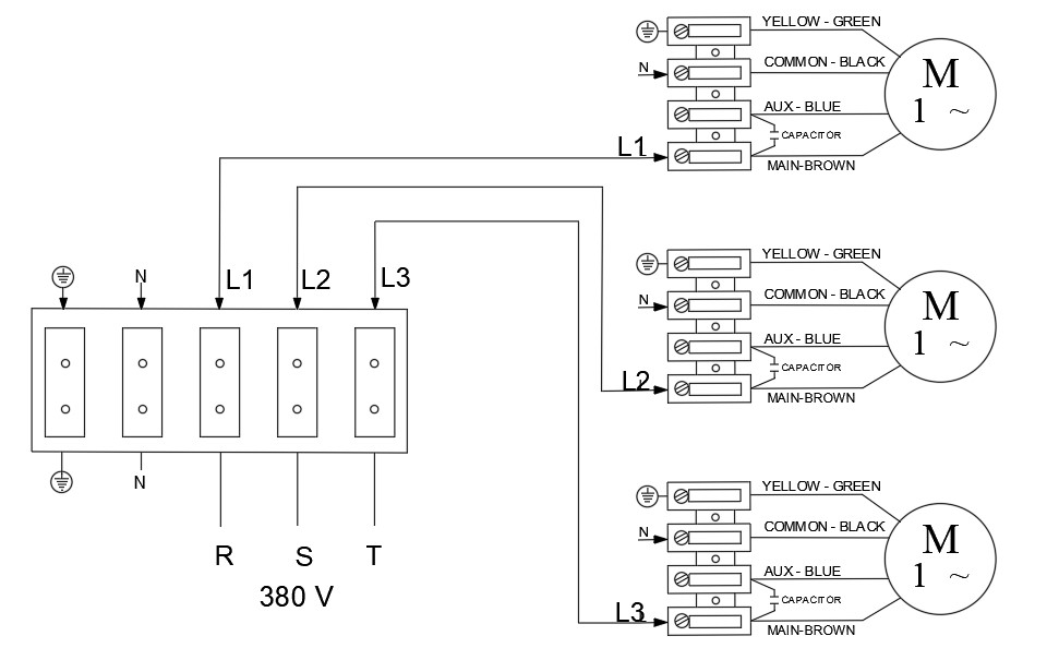
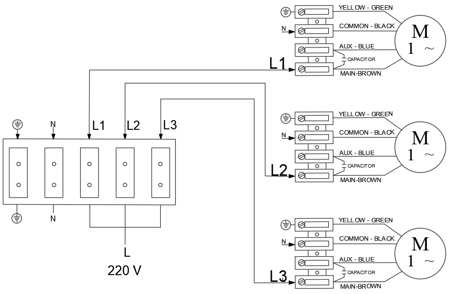
Voltage
380V-3 N PE - 220V-1 N PE
IP
65
Frequency
50-60 Hz
Amper
380V - 2.1 A - 220V- 6,3 A
Rm 3F Kullanma Klavuzu-User Manuel
Kullanma Kılavuzu